聯盟服務廠商成果效益-協助申請專利
協助會員廠商華照、英棒、掌宇技術精進,獲得與申請專利
•華照- 一種氣流導管改良設計(新型,已獲得;聯盟團隊輔導老師:沈志陽)
•英棒- 機械控制系統及實施方法(新型、發明申請中;聯盟團隊輔導老師:沈志陽)
•掌宇- 雷射雕刻之立體造型裝飾組(新式樣;申請中;聯盟團隊輔導老師:周明韻)

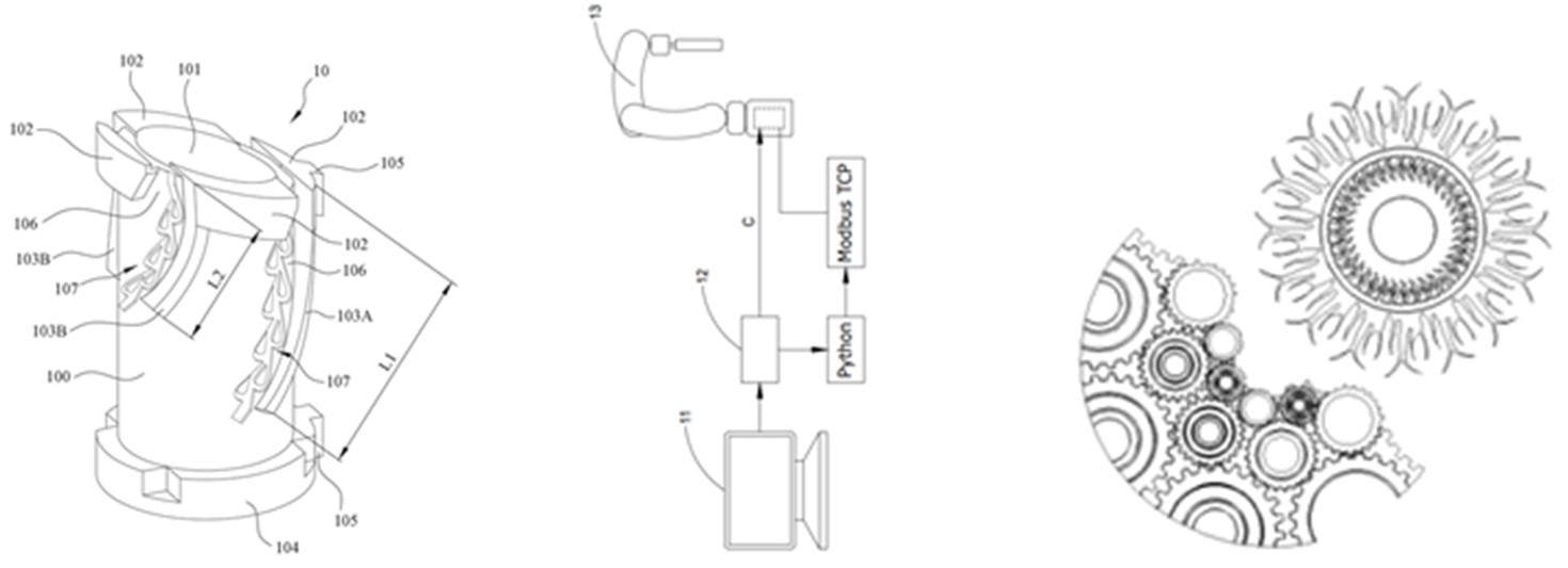
協助會員廠商華照、英棒、掌宇技術精進,獲得與申請專利
•華照- 一種氣流導管改良設計(新型,已獲得;聯盟團隊輔導老師:沈志陽)
•英棒- 機械控制系統及實施方法(新型、發明申請中;聯盟團隊輔導老師:沈志陽)
•掌宇- 雷射雕刻之立體造型裝飾組(新式樣;申請中;聯盟團隊輔導老師:周明韻)
